Clitopilus spec. (prunulus mit Cystiden oder Cl. chrischonensis?)

#1
Servus beinand,

ich wollte heute zwei Hexenröhrlinge fotografieren, die ich gestern bei mir in Mammendorf unter einer Birkengruppe (sonst nur Felder, einzige Symbiosebäume in der Umgebung) gefunden habe. Leider waren heute beide Fruchtkörper abgerissen und eingetrocknet - super... Dafür habe ich heute dort einen Clitopilus gesehen, den ich gestern übersehen haben muss - er muss aber da noch recht klein gewesen sein, da ich ihn trotz Inspektion des (sehr kleinen) Areals übersehen habe. Eigentlich hatte ich auf die ersten Russula exalbicans dieses Jahr gehofft.

Wie auch immer, so habe ich den einen Räsling fotografiert und mitgenommen. Die Bestimmung fällt hingegen nicht leicht.
clitopilus01.jpg
clitopilus02.jpg
clitopilus03.jpg
clitopilus04.jpg
clitopilus05.jpg
(Fleisch inamyloid - ich habe das Foto eigentlich nur gemacht, um ein Foto von inamyloidem Fleisch zu haben) ;-)

Größe: Hutdurchmesser 3,7 cm, Stiel 37 x 10 (Mitte) x 12 (dickste Stelle unten) mm

Farbe:
Hut weiß ohne Grauanteil, in einem recht breiten Bereich ockerlich bräunlich und dort auch sehr fein aufgerissen.
Stiel weiß, basal fleischfarvben durch aufliegendes Sporenpulver
Lamellen schön gelb-lachsfarben, Gelbton als auch Lachston deutlich kenntlich

Geruch: intensiv nach Mehl

Geschmack: intensiv nach Mehl, auch nach längerem Kauen weder bitter noch anderweitig unangenehm

Mikroskopie:
Sporen in Aufsicht mit 6 deutlichen Kanten, (n = 18) 9,0-11,0-13,75 x 5,0-5,8-7,0 µm; Q = 1,6-1,87-2,2
clitopilus06_Spore_Aufsicht.jpg
(sechs Kanten)

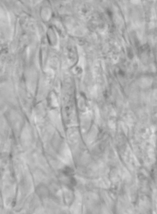
Lamellenschneide mit zahlreichen, auffallenden Cheilocystiden, diese ca. 30 - 60 x 2-5,5 µm, meist fädig, apikal auch etwas verbreitert bis fast spatelig, nicht kopfig, oft aber mit abgerundeten Enden, untermischt mit Basidien, aber Cystiden sehr zahlreich.
clitopilus07_Cheilocystiden.jpg
clitopilus08_Cheilocystiden.jpg
Hutdeckschicht:
Weißer Bereich: Cutis aus Hyphen 2-4,5 µm dick, meist recht schmal, ohne inkrustierendem Pigment, Zellwände teils in Wasser etwas lichtbrechend; Brauner Bereich: Cutis kollabiert, Hyphen nur sehr vereinzelt noch zu erahnen, die meisten Zellen zusammengedrückt;
beide Bereiche: Subcutis aus etwas breiteren Elementen bestehend (bis ca. 6 µm dick), ebenfalls ohne Inkrustationen.
clitopilus11_HDS_epicutis.jpg
(Epicutis)
clitopilus09_HDS_kollabiert_brauner_Bereich.jpg
(kollabierte Epicutis in braunem Bereich)
clitopilus10_HDS_subcutis.jpg
(Subcutis)

Schnallen nirgends gesehen.

Habitat:
sehr kleines "Parkarareal (5 x 7 Meter) mit drei Hängebirken - Kalkschotter (Münchner Schotterebene, Norwestrand derselben) nahe anstehend, Humus vermutlich angeschüttet (an Straßengabelung mit Gebetskreuz - angelegter Bereich, parkartig); Begleitpilze Suillellus luridus, im Vorjahr auch Russula exalbicans.
Suillellus_luridus01.jpg
Suillellus_luridus02.jpg
(Suillellus luridus, Fotos von gestern per Handy - da standen die beiden noch)

Die schmalen HDS-Hyphen ohne Inkrustationen und die Makroskopie schließen Clitopilus cystidiatus m.E. völlig aus. Der Fruchtkörper war aber nicht alt, er lag nicht im Kühlschrank, sondern wurde direkt nach der Entnahme mikroskopiert (halbe Stunde Brotzeit dazwischen, dann gings unters Mikroskop). Die Cystiden sind also keine Artefakte und der Fruchtkörper ist frisch gewachsen - gestern noch sehr unauffällig - aber da in offenem Beriech gewachsen intensiver Sonnenstrahlung ausgesetzt.
Geht man davon aus, dass Clitopilus prunulus ebenfalls Cystiden ausbildet, wäre das der erste Name, der mir einfallen würde. Allerdings wurde mit Clitopilus chrischonensis (was für ein Name!) eine weitere Art aus dem Komllex beschrieben, die aber nicht nach Mehl riechen soll... die Originalbeschreibung vergleicht den Geruch aber mit dem von Polyporus squamosus - und den nehme ich ehrlich gesagt als gurkig wahr - und Gurke und Mehl gehen ineinander über. Nicht nach Mehl aber nach Polyporus squamosus ist für mich widersprüchlich.
Vizzini et al. (2011) geben noch metachromatische Hyphen in Chresylbklau an (habe ich aber nicht daheim, kann das daher nicht prüfen - aber das geht ja noch später am getrockneten Beleg?!)
Clitopilus paxilloides zeigt graubraune Farbtöne am Hut - ich habe aber kein Grauanteil gesehen und der Braunton war nur an kollbierten HDS-Bereichen zu sehen und für mich daher mehr ein Hochsommerartefakt.

Kurz gesagt, ich bin etwas überfragt... Kann das Clitopilus chrischonensis sein? Oder ist so eine Häufung von Cystiden normal für Clitopilus prunulus? Fragen über Fragen... Wer kann helfen?

Liebe Grüße,
Christoph

P.S.: sorry für die mauen Mikrofotos, aber ich bin daheim, was Fotos angeht, limitiert (per Handy durchs Okular), zumal ich sonst auch lieber zeichne (dauert nur ein bisserl)
Zuletzt geändert von Christoph am 02.07.2018, 17:18, insgesamt 1-mal geändert.
Argentum atque aurum facile est laenamque togamque mittere, boletos mittere difficile est
(Silber und Gold, Mantel und Toga kann man leicht verschenken, schwer ist es aber, auf Pilze zu verzichten - Spruch von Martial)

Re: Clitopilus spec. (prunulus mit Cystiden oder Cl. chrischonensis?)

#2
Lieber Christoph,
eine meiner Studentinnen bearbeitete die Frage C. prunulus versus C. cystidiatus anhand unseres WU-Herbarmaterials, sowohl morphologisch als auch mit ITS-Sequenzen. Das vorläufige Ergebnis ist (Publikation in Vorbereitung), dass es sich bei C. prunulus um eine plastische Art handelt, in deren Merkmalsvariationsbreite auch C. cystidiatus mit einzuschließen ist. Wir haben Cheilocystiden auch bei weißen C. prunulus-Fruchtkörpern gefunden, also genauso wie du. Bei der Inkrustation der Huthauthyphen gibt es alle Übergänge von gar nicht bis zu viel. Auch die Cystidenhäufigkeit variiert von gar keinen bis zu vielen. Es ist keine morphologische Trennlinie zu finden. Das gleiche gilt für die ITS-Sequenz. Die Sequenz von C. crischonensis hingegen weicht etwas ab. Das kann man schon als eigenes Taxon ansehen. Die morphologische Abgrenzung hingegen ist mir nicht besonders klar. Büschelig oder nicht? Ist meiner Meinung nach auch bei C. prunulus möglich. Gurke versus Mehlt geht für mich auch nicht eindeutig zu unterscheiden und hängt auch sehr von der jeweiligen Nase und dem Zustand des Pilzes ab. Cystiden geben auch nichts her. Da bleibt eigentlich nur metachromatisch oder nicht, aber wurde das schon ausreichend an den anderen Arten getestet?
Ordne deinen Fund vorerst einmal als C. prunulus ein.
LG
Irmgard

Re: Clitopilus spec. (prunulus mit Cystiden oder Cl. chrischonensis?)

#3
Liebe Irmgard,

vielen Dank für deinen Hilfe! Da bin ich schon sehr auf die Publikation gespannt. Dann mache ich einen Clitopilus prunulus draus und erwähne die zahlreichen Cystiden auf dem Etikett vom Beleg ;-).

Liebe Grüße,
Christoph
Argentum atque aurum facile est laenamque togamque mittere, boletos mittere difficile est
(Silber und Gold, Mantel und Toga kann man leicht verschenken, schwer ist es aber, auf Pilze zu verzichten - Spruch von Martial)
cron